Để có một hồ cá koi xanh - sạch - đẹp thì một trong những yếu tố quan trọng nhất chính là hệ thống lọc nước hồ cá koi. Bộ lọc này có vai trò rất quan trọng bởi nó quyết định môi trường sống của cá, đặc biệt là đối với những thiết kế hồ cá Koi ngoài trời. Vậy làm thế nào để thiết kế hệ thống lọc nước hồ cá koi đạt chuẩn. Dưới đây là một vài gợi ý hữu ích dành cho bạn. Hãy cùng theo dõi nhé!
Lợi ích thiết kế bộ lọc hồ cá koi ngoài trời đúng tiêu chuẩn.
Lắp đặt hệ thống lọc nước hồ cá Koi sai cách hoặc không phù hợp, khi lắp đặt làm không đúng quy trình, hay trong quá trình lắp đặt thì bị thiếu các thiết bị, phụ kiện của hồ cá. Tất cả những điều này đều ảnh hưởng rất nhiều đến môi trường sống của cá.

Lợi ích thiết kế bộ lọc hồ cá koi ngoài trời đúng tiêu chuẩn
Khi bạn có một thiết kế hệ thống lọc nước hồ cá Koi ngoài trời đạt chuẩn bạn sẽ nhận được rất nhiều lợi ích như:
- Hệ thống lọc nước hồ cá Koi ngoài trời đóng vai trò rất quan trọng. Nó giúp cho việc cải tạo và vệ sinh nguồn nước cho toàn bộ khu thuỷ sinh trong hồ và giúp cho nước được sạch sẽ hơn, mặt hồ cá được thoáng đãng hơn.
- Tạo không gian bơi lội thoải mái cho cá
- Loại bỏ các sinh vật , rong, tảo có trong đáy hồ và thành hông của hồ
- Loại bỏ được toàn bộ các chất thải do phân của cá gây ra và những thức ăn thừa bị lắng đọng lại tại đấy hồ.
- Giảm thiểu chi phí cũng như tiết kiệm được thời gian thay nước bằng phương pháp thủ công.
- Làm nguồn nước sạch sẽ giúp người ngắm cá có thể nhìn rõ cá hơn mang lại tính thẩm mỹ cao hơn cho ngôi nhà.

Hệ thống lọc nước hồ cá koi giúp cải tạo và vệ sinh nguồn nước trong hồ
Hệ thống lọc nước hồ cá koi ngoài trời đạt chuẩn
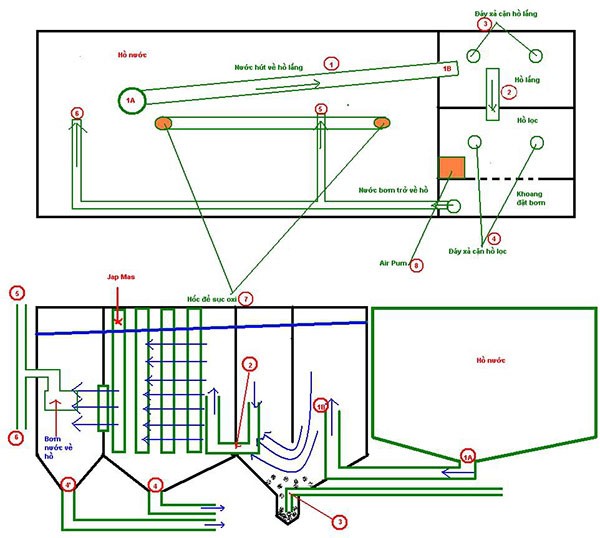
Để có được một hệ thống lọc hồ cá koi ngoài trời cần phải đủ 5 bộ phận. Cho dù là hệ thống lọc nước tự chế cũng cần phải đủ 5 bộ phận cấu thành này mới có thể tạo ra một hệ thống lọc nước đạt chuẩn được.
- Bộ phận hút
- Bộ phận đẩy
- Bộ phận xả
- Bộ phận lọc
- Bộ phận chống tràn

Hệ thống lọc nước hồ cá koi ngoài trời đạt chuẩn
Đây là 5 bộ phận không thể thiếu của một hệ thống lọc nước hồ cá Koi ngoài trời. Nếu bạn đang có ý định cải tạo lại hồ cá của mình thì lên tìm hiểu cách thức hoạt động của hệ thống này như thế nào để có hướng cải tạo hồ cá phù hợp với hệ thống lọc nước này.
Ngoài ra, một hệ thống lọc hồ cá Koi đúng chuẩn cũng cần phải có đủ vi sinh và sinh vật phù du giúp nước trong hồ được sạch sẽ hơn và không có mùi hôi hay rêu tảo. Bên cạnh đó khi thiết kế hệ thống lọc nước hồ cá koi ngoài trời đúng chuẩn nên sử dụng loại máy chìm trong nước, không gây tiếng ồn, bền và đặc biệt cần phải tiết kiệm điện.
Hy vọng bài viết trên của Gspace sẽ mang đến cho quý bạn đọc những thông tin hữu ích. Hãy liên hệ với chúng tôi tại đây để được tư vấn thêm về cây trồng, thiết kế - thi công cảnh quan sân vườn, hồ cá Koi hữu ích nhé!
